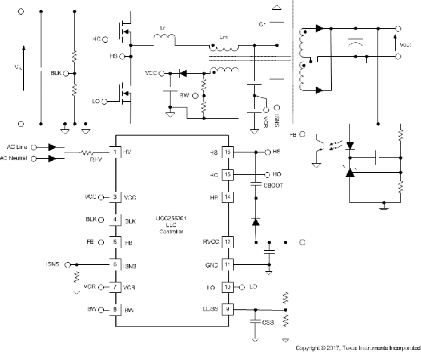
消费类电子产品的使用寿命一直是制造商和用户共同关心的话题。近日,德州仪器(TI)宣布推出新款整合式高压闸极驱动器的新型LLC谐振控制器“UCC256301”
2017-10-24 11:04:00
·
风电网 阅读:1637
消费类电子产品的使用寿命一直是制造商和用户共同关心的话题。近日,德州仪器(TI)宣布推出新款整合式高压闸极驱动器的新型LLC谐振控制器“UCC256301”
声明:本文内容来源自网络,文字、图片等素材版权属于原作者,橙电平台转载素材出于传递更多信息,文章内容仅供参考与学习,切勿作为商业目的使用。
如果侵害了您的合法权益,请您及时与我们联系(2430586914@qq.com),我们会在第一时间进行处理!我们尊重版权,也致力于保护版权,橙电平台感谢您的分享!
-
6月29日17时54分,长江电力所属长江干流三峡、葛洲坝、溪洛渡、向家坝4座梯级电站82台机组今年首次全开运行,较去年全开提前了19天。
-
特斯拉宣传其太阳能屋顶产品已有一段时间,目前这款产品已接近最终的发布。 特斯拉周二上午发出了邀请函
-
2014年5月15日,中国北京——Maxim Integrated Products, Inc. (NASDAQ: MXIM)推出Petaluma (MAXREFDES30#)子系统参考设计,使电力公司和基础架构供应商可同时、准确地测量分布式电网数据。 全球范围的电力公司正在布设可靠性更高的系统,需要获取高精度的分布式电网状态数据,以便更好地利用分布式发电技术,如太阳能和风能
-
意法半导体(ST)发布全球首款支持METERS AND MORE开放式通信标准的智能电表IC,新产品让智能电表设备通过电力线通信(PLC)技术实现广泛的互联互通,将有助于推动智能电网带为环境、消费者和供电企业带来最大化利益。 意法半导体ST75MM IC是首款内置METERS AND MORE标准兼容硬件和通信协议的智能电表芯片,有助于简化电表设计,从而加快智能电表的部署速度、降低成本及提高可靠性
-
2014年4月15日,中国北京——Maxim Integrated Products, Inc. (NASDAQ: MXIM)推出ZON™ M3 (MAX71315)单相电表SoC,为设计人员提供高精度、低成本电表和固态表设计方案。 优异的表计计量性能对于实现精确监测和计费至关重要
-
器件可承受高达3.46MJ的脉冲能量和12kA的脉冲电流 宾夕法尼亚、MALVERN — 2013 年 12 月17 日 — 日前,Vishay Intertechnology, Inc.(NYSE 股市代号:VSH)宣布,推出新系列不锈钢制动/撬棒电阻---ULDCR电阻,电阻可承受3.46MJ的脉冲能量和12kA的脉冲电流,适用于新能源和其他重载应用。Vishay还可以根据定制指标提供更高脉冲负载能力的版本
-
日前,作为在智能电网能源管理、通讯及控制方面居于领导地位的创新厂商,德州仪器宣布推出 60 款全新完全整合式计量 SoC,并将于 DistribuTECH 2013 展出。MSP430F677x SoC 可达到准确的电能测量效果,符合甚至超越智能型多相电子式电能表的全球法规标准,包括 IEC 62053-22 及 ANSI C12.20 0.2 级标准
-
高能效及强固的NCN5150收发器极适合远程抄表应用,包括暖气及冷气表、电表、水表和燃气表等多能仪表 2013年9月10日 – 推动高能效创新的安森美半导体(ON Semiconductor,美国纳斯达克上市代号:ONNN)推出一款新的集成从收发器,用于双线式仪表总线(M-BUS)从设备及中继器。NCN5150提供全部必需功能,符合描述远程抄表M-BUS应用物理层要求的EN 13757-2和EN 1343-3标准,用于供暖及冷
-
Maxim Integrated推出集成了计量、安全保护和通信功能的完备参考设计平台,打造更安全的智能电网。 中国,北京,2013年10月15日
-
全球领先的整合单片机、混合信号、模拟器件和闪存专利解决方案的供应商——Microchip Technology Inc.(美国微芯科技公司)宣布推出具备业界精度领先的新一代电能计量模拟前端(AFE)产品。全新的MCP3913和MCP3914分别集成了6和8个24位Δ-Σ 模数转换器(ADC),具备94.5 dB的SINAD、-106.5 dB的THD和112 dB的SFDR,适用于高精度信号采集和更
-
三峡能源昔阳300 兆瓦光伏+储能发电项目送出线路对侧松溪500kV变电站间隔EPC施工总承包招标公告(招标编号:HFXYGF 2023060002)
2023-07-12 20:42 -
三峡能源昔阳300兆瓦光伏+储能发电项目施工类企业协作分包商招标公告招标编号:HFXYGF 2023060001
2023-06-29 15:51 -
橙电整理了2022.25更新的立项、设计阶段的能源项目信息汇总,供各电力企业参考,共10条。
2022-02-25 16:48 -
橙电平台-国内专注于电力行业服务的综合平台,集招标、采购、征信查询、租赁、电力标讯以及企业营销等服务于一体。橙电整理了2021.08.24更新的立项、设计阶段的能源项目信息汇总,供各电力企业参考,共20条。
2021-08-24 09:41 -
橙电整理了2021.08.05更新的立项、设计阶段的能源项目信息汇总,供各电力企业参考,共11条。
2021-08-05 14:49 -
橙电整理了2021.01.15更新的立项、设计阶段的能源项目信息汇总,供各电力企业参考,共14条。
2021-01-15 09:50 -
橙电整理了2020.11.19更新的立项、设计阶段的能源项目信息汇总,供各电力企业参考,共16条。
2020-11-19 16:36 -
橙电整理了2020.11.12更新的立项、设计阶段涉及电力工程的大项目信息汇总,供各电力企业参考,共19条。
2020-11-13 14:31 -
橙电整理了2020.11.2更新的立项、设计阶段涉及电力工程的大项目信息汇总,供各电力企业参考,共13条。
2020-11-02 16:19 -
橙电整理了2020.10.22更新的立项、设计阶段涉及电力工程的大项目信息汇总,供各电力企业参考,共16条。
2020-10-22 15:37
-
能源是能够提供能量的资源,这里的能量通常指热能、电能、光能、机械能、化学能等。能源产业链上游指的是一次能源的勘探与生产,中游是能源运输,下游则是对一次能源的加工利用。能源行业还包括能源相关的设备、工程和服务等行业,这些行业为能源的上中下游提供设备制造、工程承包、能源技术服务等服务,属于能源行业的外围产业。
2020-06-01 09:44 -
在过去的一年里,全球可再生能源装机仍继续保持着快速增长。在全球各国积极支持和推动生物质能发电项目的情况下,全球生物质能发电得到了前所未有的发展,生物质能装机容量实现了持续稳定的上升,2009年全球生物质发电装机容量为6100万千瓦,至2019年达到12380万千瓦,十年间翻了一番。
2020-05-30 09:28 -
【来源:麦电网ID:maidianet】
2020-04-29 15:41 -
随着中国对大气污染等环境问题关注度的日益增强,为环保企业的发展带来了巨大的机遇,中国环保产业正处于发展的黄金期。然而,机会与风险并存是市场的特色,特别是对于受行业政策影响程度较大、市场监管力度不强的环保产业,企业进入市场投资发展的困惑更多。帮助企业准确把握行业发展机遇,理清面临的问题,对于企业进入节能环保产业市场并发挥主体作用具有重要意义。
2020-02-17 08:13 -
――发电厂的煤炭消耗量下降:36%
2020-03-06 16:23 -
房庆表示,目前,我国正面临资源与能源安全问题、环境污染问题和来自国际应对气候变化及地缘政治的巨大压力,生态文明建设也正处于压力叠加、负重前行的关键期,要认真学习领会习近平总书记生态文明思想,切实增强做好生态文明建设的责任感、使命感。
2019-12-30 11:00 -
正值规划研究之年,诸多重点问题引发关注。相比“十三五”,我国能源生产与消费的形势将发生哪些变化?与其相适应的规划内容,需要作出哪些调整?面对新时代的新挑战,能源产业如何取得新突破?近期举行的多场会议上,来自不同领域的权威专家纷纷表达观点。
2019-12-17 09:14 -
2019年1-7月,铜川市能源工业增加值同比增长0.6%,增速年内首次由负转正,占规模以上工业增加值的比重为62.8%,贡献率为5.9%,拉动工业增加值增速0.4个百分点。主要行业“三增一降”。1-7月,全市煤炭开采和洗选业同比增长0.8%,石油和天然气开采业增长72.4%,石油、煤炭及其他燃料加工业增长170.6%,电力、热力生产和供应业下降3.6%。四大行业占规上工业的比重分别为47.9%、0.7%、0.4%和13.8%。主要能源产品产量“两降一增”。1
2019-09-03 00:00 -
2019年上半年,南通市规上工业企业综合能耗为769.2万吨标准煤,同比下降1.1%,降幅较上半年扩大0.7个百分点。分门类看,制造业企业节能形势较好,今年来一直处于负增长态势,制造业综合能耗402.5万吨标准煤,同比下降1.8%,较上半年降幅收窄0.1个百分点,电力、热力生产和供应业综合能耗366.7万吨标准煤,同比下降0.4%,增速由正转负,带动规上工业综合能耗增速小幅回落。show_article();
1970-01-01 08:00 -
2019年6月份全国铁路煤炭发运量2.04亿吨,同比增加4.5%。1-6月发运煤炭12亿吨,同比增加2.3%。show_article();
1970-01-01 08:00
-
2020-08-31 10:00
-
2020-08-31 10:30
-
近日,中国石化集团与陕西省人民政府通过书面传签的方式,正式签署地热能资源开发利用战略合作协议。
2020-08-31 10:29 -
8月29日,广汽丰田新能源车产能扩建项目二期(下称“广汽丰田项目二期”)正式动工,助力构建广东新能源汽车产业集群。该项目占地面积74万平方米,达产后每年将贡献在地产值500亿元以上。届时,广汽丰田产能将得到大幅度提升,并带动发展周边零部件配套厂商超30家,每年贡献在地工业产值超千亿元。
2020-08-31 10:13 -
今年7月24日,中日(上海)地方发展合作示范区在临港新片区挂牌,作为全国仅有的6个中日地方发展合作示范区之一,未来将建设一个以氢能产业为重点的新能源产业集群。而在“以国内大循环为主体、国内国际双循环相互促进”的新发展格局中,临港新片区把做好政策集成创新试点、为全国氢能产业打造可推广的“临港模式”作为未来发展使命和目标。
2020-08-31 10:12 -
8月27日,陕西电力交易中心组织了9月份新能源和火电打捆外送湖北交易,成交电量3000万千瓦时,打捆比例3:7。这是陕西新能源绿电首次在8月14日参与省内“绿电绿用”交易后,进一步实现跨省区“新火打捆”绿电外送交易新的突破,对陕西开拓省外电力市场具有重要意义。
2020-08-31 10:14 -
2020-08-31 10:15
-
27日,新能源产业发展(潍坊)大会举行。此次大会由潍坊市人民政府、山东省国资委主办,潍柴集团、潍坊市国资委承办,是新能源产业发展的全国盛会。
2020-08-31 10:16 -
记者从大连市统计局获悉,“十三五”以来,新能源产业发展是大连市能源供给侧改革的重要组成部分,新能源发电量已远超越传统火力发电量,在大连市电力结构中占据重要位置。
2020-08-31 10:18 -
8月25日,澳大利亚区块链公司PowerLedger宣布其将在泰国及东南亚地区推出可再生能源证书(RECs)交易市场。
2020-08-31 10:21
-
关注
2020-10-10 00:00 -
关注
2020-10-10 00:00 -
关注
2020-10-07 00:00 -
关注
2020-10-09 00:00 -
关注
2020-10-09 00:00 -
关注
2020-09-29 00:00 -
关注
2020-09-30 00:00 -
关注
2020-09-29 00:00 -
关注
2020-09-27 00:00 -
关注
2020-09-28 00:00
-
慧聪安防网讯 2018年7月12日,第20届中国国际建筑装饰博览会落下帷幕,作为智能门控行业领导品牌的瓯宝,以智能锁为核心,将科技、创新与设计理念高度融合,轻取收官之战,获得圆满成功。 在此次盛会中,瓯宝携旗下Z82、Z83、Z88、Z67和全新黑科技屏下识别P50系列智能锁产品在广交会展馆A区5.1馆30展位全新亮相,并引爆全场
2018-07-20 00:00 -
慧聪安防网讯 第一章“呼叫通”三合一电梯控制系统简介及设计依据 呼叫通电梯管理系统简介 安本天下呼叫通电梯管理系统由梯控设备、电梯运行信息检测设备、五方通话与视频监控、管理中心等四个大部分组成。其中智能人脸识别梯控设备部分由安装在电梯轿厢的人脸识别一体机和控制器以及人脸采集器组成
2018-07-20 00:00 -
慧聪安防网讯 一、方案背景 近年来,恐怖袭击与极端暴力事件屡有发生,造成了巨大的人身、财产安全损失,产生了重大的社会经济影响。随着城市规模的不断扩大、社会形势日益复杂,有限的安保资源与社会不断增长的需求矛盾不断突出,导致城市安全正面临巨大挑战
2018-07-20 00:00 -
慧聪安防网讯 近日,上海市质量技术监督局,发布了《入侵报警系统应用基本技术要求》等七项地方标准的通知公告。其中涉及两项安全技术防范标准:DB31/T1086-2018《入侵报警系统应用基本技术要求》、DB31/T294-2018《住宅小区智能安全技术防范系统要求(代替DB31/T294-2010)》,该标准将与2018年8月1日正式实施
2018-07-20 00:00 -
慧聪安防网讯 安保人员A:“上个月,我们刚安装的视频监控没画面了!” 安保队长:“立马检查,查出问题,即刻恢复!” 安保人员A:“已派人检查,无法查到故障。” 安保队长:“情况紧急,马上通知视频厂家,争分夺秒维修!” 对于
2018-07-20 00:00 -
慧聪安防网讯 7月19日,以“开启新时代中国经济新征程”为主题的2018中国财经峰会在北京举行。财经峰会设立于2012年,由众多财经及大众媒体联袂打造,致力于汇聚和分享商业智慧,传递主流商业价值观,被称为经济领域最具影响力的思想交流平台
2018-07-20 00:00 -
慧聪安防网讯 近几年,随着生物特征识别技术的不断发展成熟,生物特征识别技术在门禁系统中的应用逐渐变成主流。生物特征识别门禁系统是以人的生物特征为识别条件的门禁系统,主要包括对人脸识别、指纹识别、虹膜识别、掌纹识别、指静脉识别、声纹识别等
2018-07-20 00:00 -
慧聪安防网讯 人才缺失制约人工智能发展 一将难求,正是眼下如火如荼的人工智能行业的真实写照。人才,尤其是高水平人才的匮乏,正成为制约人工智能快速健康发展的一个瓶颈
2018-07-20 00:00 -
慧聪安防网讯 如今,英国几乎所有(88%)组织都采用了云计算技术,这与2012年相比大幅增加,当时只有一半以上。这不可避免地导致了存储在云中的客户数据量的增加,以支持从在线服务和网站到销售和基础设施的所有内容
2018-07-20 00:00 -
慧聪安防网讯 今年以来,人工智能领域的发展迎来了新一波高潮。 人工智能消费级应用落地的速度不断加快,同时,市场和需求愈加细分
2018-07-20 00:00
TOPS
-
日排行
/
-
周排行
/
- 原创
- 日排行 /
- 周排行 /
- 原创
MORE+ 电力要闻
-
2020年10月11日
-
2020年10月11日
-
2020年10月11日电力电量平衡的目标和方法
-
2020年10月11日为加强新能源汽车动力蓄电池梯次利用管理,提升资源综合利用水平,保障梯次利用电池产品的质量,我们组织编制了《新能源汽车动力蓄电池梯次利用管理办法》。现将征求意见稿向社会公开征求意见,如有意见或建议,请于2020年11月8日前反馈工业和信息化部节能与综合利用司。
-
2020年10月11日山东电力现货市场原定今年9月开展连续4个月的电力现货结算试运行。但因今年5月第三次调电运行及试结算中,山东现货试点在短短四天内即产生了近亿元“不平衡资金”,在“电改圈”内引发高度关注推迟至今。(报道链接:不平衡资金逼停电改?评论丨取消电价“双轨制”势在必行)